Avez-vous des questions?
Avez-vous des questions?
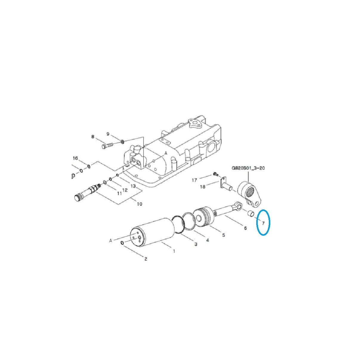
Douille coulissante 25 x 22 x 20 mm / Tracteur LS / 40010006
Manchon de positionnement pour tracteurs LS pour :
Le manchon de support , ou manchon coulissant , est un manchon conçu pour fonctionner dans des conditions difficiles et qui, grâce à son procédé de fabrication et à l'utilisation de matières premières appropriées, présente une très grande résistance à l'abrasion et est capable de supporter de lourdes charges. Un palier lisse, comme on l'appelle parfois, présente souvent une rainure ou un trou interne facilitant l'accès du lubrifiant aux surfaces de contact.
POSITION N° 7 MARQUÉE EN BLEU SUR LE GRAPHIQUE
Dimensions :
Les premiers signes d'usure des bagues coulissantes sont un cognement régulier pendant le fonctionnement. La durée de vie des bagues est directement influencée par la pression appropriée du système de lubrification et l'utilisation d'une huile de viscosité adaptée, ainsi que par des vidanges trop peu fréquentes ou un manque de lubrification.
Entrepôt :
L01:B132
Les origines de la marque LS Tractor se trouvent en Corée du Sud en 1977, lorsque la KHIC (Korea Heavy Industries & Construction Co.), en coopération avec Fiat, a commencé à produire des tracteurs agricoles et, plus tard, également des moissonneuses-batteuses et autres machines agricoles. équipement . L'année 1984 apporte de nouveaux succès pour la marque LS Tractor , Mitsubishi MHI (Mitsubishi Heavy Industry) et d'autres fabricants, entre autres, devenus fournisseurs d'unités d'entraînement pour mini-tracteurs . Yanmar. Actuellement, le constructeur coréen de tracteurs LS Tractor possède 4 usines situées en Corée du Sud, au Brésil, en Chine et aux États-Unis. Notamment, LS Tractors a été classé n°1 en termes de satisfaction globale de la clientèle, de disponibilité des produits et de disponibilité des pièces aux États-Unis.
Les tracteurs LS ont été conçus pour être utilisés dans les ménages, les entreprises municipales et les exploitations agricoles. Si vous recherchez un équipement fonctionnel, les produits de la marque LS seront le choix idéal : la conduite d'un tracteur de chaque série disponible est non seulement confortable, mais surtout totalement sûre. Par conséquent, l’équipement peut être utilisé avec succès aussi bien par les professionnels que par les débutants. Un large choix de modèles offrant des fonctionnalités et des performances moteur variées, adaptés à des charges d'intensité variable, des accessoires compatibles permettant d'augmenter la plage de travail, une conduite simple et intuitive et un confort de travail - telles sont les caractéristiques de chaque tracteur LS - le prix est un autre point fort du produit. Une qualité de fabrication élevée combinée à des prix compétitifs et attractifs permettent aux clients les plus exigeants d'être pleinement satisfaits des équipements que nous proposons.
Le tracteur LS n'est pas seulement le tracteur LS Pologne - les équipements de cette marque sont connus et appréciés dans le monde entier. Ceci est confirmé par le fait que les tracteurs LS ont été reconnus comme numéro 1 en termes de satisfaction client, de large gamme de modèles et de disponibilité de pièces détachées aux États-Unis.
Vous recherchez l’équipement parfait ou avez besoin de conseils pour choisir un modèle spécifique ? Contactez-nous et nous vous aiderons à adapter le tracteur LS à vos besoins, non seulement en vous suggérant quel modèle vous conviendra le mieux, mais également en vous aidant à choisir le bon équipement.
Notre magasin propose des tracteurs LS neufs . Nous répondons aux besoins de nos clients en proposant un large choix de modèles, notamment des tracteurs agricoles à essieux et des tracteurs tondeuses à gazon pouvant être utilisés aussi bien sur de grandes parcelles que dans l'espace domestique. Nous proposons entre autres le tracteur LS MT3.40 HST , qui est un tracteur équipé d'un moteur diesel 3 cylindres L3CRV-T4 d'une puissance de 40 CV. Les équipements de cette série sont des tracteurs 4x4 équipés d'une direction assistée, ce qui rend l'opération et les manœuvres simples et sûres. Un tracteur LS de ce type vous permet de travailler sur n'importe quel terrain, ce qui est également influencé par la possibilité de choisir différents types de pneus - dans le cas de ce modèle, le client peut choisir à la fois des pneus agricoles et des pneus de construction/industriels. L' attelage trois points arrière à 3 points d'une capacité de levage de 820 kg vous permet d'utiliser pratiquement toutes les machines et équipements agricoles sans aucune restriction. Un avantage supplémentaire de ce tracteur est une cabine de sécurité confortable et climatisée. Le tracteur 4x4 LS MT3.60 MEC CAB est également disponible dans la série MT3. Ce modèle est un tracteur équipé d'un moteur diesel 3 cylindres L3CRV-7T. Comme le modèle précédent de cette série, le MT3.60 est équipé d' un attelage à trois points avec une capacité de levage plus élevée - 1 250 kg. L'avantage incontestable de ce modèle est la boîte de vitesses mécanique avec marche arrière, qui permet de changer le sens de conduite d'un seul mouvement du levier situé à côté du volant. À leur tour, 3 vitesses de l'arbre de prise de force permettent l'utilisation d'équipements PTO/PTO supplémentaires. L'assortiment de traktor.com.pl comprend également des tracteurs LS de la série MT. Les tracteurs LS de ce type sont équipés de moteurs d'une puissance de 21,5 CV ou 24,7 CV, vous pouvez donc facilement adapter le modèle au travail spécifique et à vos propres besoins. L'offre comprend également une gamme complète d'accessoires, dont un chargeur frontal TUR , une faucheuse ou une pelle adaptée pour être attelée à l'arrière du tracteur. Le moteur basé sur la technologie Yanmar rend ce modèle compact aussi performant que les tracteurs classiques sur le terrain , et fonctionne également bien comme tracteur tondeuse à gazon utilisé pour les travaux ménagers.