Disponible
Condición
nuevo
Producción
OEM
partes
Sistema hidráulico

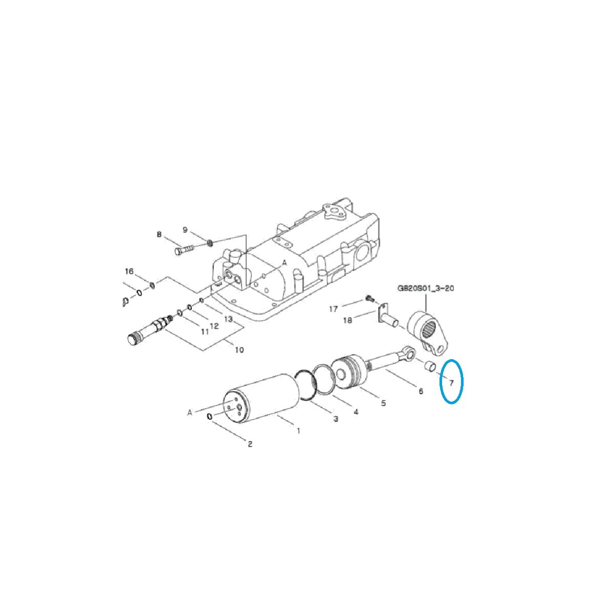
Casquillo deslizante 25 x 22 x 20 mm / Tractor LS / 40010006

40010006
30,17 zł
Impuestos incluidos PL 23%

24,53 netto

  • Dostępność (4 Cantidad): stock

¿Tiene usted alguna pregunta?

Casquillo deslizante 25 x 22 x 20 mm / Tractor LS / 40010006

Manguito de posicionamiento para tractores LS para:

  • brazos superiores del elevador hidráulico con enganche de tres puntos,

El manguito de soporte o manguito deslizante es un manguito diseñado para funcionar en condiciones difíciles y que, gracias a su proceso de producción y al uso de materias primas adecuadas, presenta una alta resistencia a la abrasión y puede soportar cargas pesadas. Un cojinete deslizante, como a veces se denomina a este elemento, suele tener una ranura o un orificio interno para facilitar el acceso del lubricante a las superficies de contacto.

POSICIÓN NÚMERO 7 MARCADA EN AZUL EN EL GRÁFICO

Dimensiones :

  • diámetro exterior: 25 mm,
  • diámetro interior: 22 mm,
  • altura: 20 mm,
  • números de pieza: 3A1970002.

Los primeros signos de desgaste de los casquillos deslizantes son un golpeteo constante durante el funcionamiento. La influencia directa en la vida útil de los casquillos reside en la presión adecuada del sistema de lubricación y el uso de aceite con la viscosidad correcta, así como en cambios de aceite poco frecuentes o la falta de lubricación.

Depósito :
L01:B132

Especificación

Magazyn: L01:B151
Condición
nuevo
Producción
OEM
partes
Sistema hidráulico

Los orígenes de la marca LS Tractor se encuentran en Corea del Sur en 1977, cuando KHIC (Korea Heavy Industries & Construction Co.), en cooperación con Fiat, comenzó a producir tractores agrícolas y, en años posteriores, también cosechadoras y otros productos agrícolas. equipo . El año 1984 trae nuevos éxitos para la marca LS Tractor , Mitsubishi MHI (Mitsubishi Heavy Industry) y otros fabricantes, entre otros, se convierten en proveedores de unidades motrices para minitractores . Yanmar. Actualmente, el fabricante coreano de tractores LS Tractor cuenta con 4 fábricas ubicadas en Corea del Sur, Brasil, China y Estados Unidos. En particular, LS Tractors ha ocupado el puesto número 1 en satisfacción general del cliente, disponibilidad de productos y disponibilidad de piezas en los Estados Unidos.

Tractores LS: precio combinado con alta calidad

Los tractores LS fueron diseñados para su uso en hogares, empresas municipales y granjas. Si busca equipamiento funcional, los productos de la marca LS serán la elección perfecta: el manejo de un tractor de cada serie disponible no sólo es cómodo, sino, sobre todo, completamente seguro. Por lo tanto, el equipo puede ser utilizado con éxito tanto por profesionales como por principiantes. Una amplia selección de modelos que ofrecen diversas funcionalidades y prestaciones del motor, adaptados a cargas de distinta intensidad, accesorios compatibles que permiten aumentar la autonomía de trabajo, un manejo sencillo e intuitivo y comodidad de trabajo: estas son las características de cada tractor LS: el precio es otro punto fuerte del producto. La alta calidad de mano de obra combinada con precios competitivos y atractivos hacen que incluso los clientes más exigentes estén completamente satisfechos con el equipo que ofrecemos.

El tractor LS no es sólo el tractor LS Polonia : el equipamiento de esta marca es conocido y apreciado en todo el mundo. Esto lo confirma el hecho de que los tractores LS fueron reconocidos como el número 1 en términos de satisfacción del cliente, una amplia gama de modelos y disponibilidad de repuestos en los Estados Unidos.

¿Estás buscando el equipo perfecto o necesitas asesoramiento para elegir un modelo concreto? Póngase en contacto con nosotros y le ayudaremos a adaptar el tractor LS a sus necesidades, no sólo sugiriéndole qué modelo será mejor para usted, sino también ayudándole a elegir el equipo adecuado.

Tractor LS Polonia: mejore su trabajo

Nuestra tienda ofrece tractores LS nuevos . Satisfacemos las necesidades de nuestros clientes ofreciendo una amplia selección de modelos, incluidos tractores agrícolas con ejes y tractores cortacésped que se pueden utilizar tanto en grandes parcelas de terreno como en el patio trasero. Ofrecemos, entre otros, el tractor LS MT3.40 HST , que es un tractor con motor diésel L3CRV-T4 de 3 cilindros con una potencia de 40 CV. Los equipos de esta serie son tractores 4x4 equipados con dirección asistida, lo que hace que la operación y maniobra sean sencillas y seguras. Un tractor LS de este tipo permite trabajar en cualquier terreno, en lo que también influye la posibilidad de elegir diferentes tipos de neumáticos: en el caso de este modelo, el cliente puede elegir tanto neumáticos agrícolas como de construcción/industriales. El enganche de tres puntos trasero con una capacidad de elevación de 820 kg permite utilizar prácticamente sin restricciones todas las máquinas y equipos agrícolas. Una ventaja adicional de este tractor es una cómoda cabina de seguridad con aire acondicionado. El tractor LS MT3.60 MEC CAB 4x4 también está disponible en la serie MT3. Este modelo es un tractor equipado con un motor diésel L3CRV-7T de 3 cilindros. Al igual que el modelo anterior de esta serie, el MT3.60 está equipado con un enganche de tres puntos con una mayor capacidad de elevación: 1.250 kg. La indudable ventaja de este modelo es la caja de cambios mecánica con marcha atrás, que permite cambiar el sentido de la marcha con un solo movimiento de la palanca situada al lado del volante. A su vez, las 3 velocidades del eje de la TDF permiten el uso de equipos PTO/PTO adicionales. El surtido de traktor.com.pl también incluye tractores LS de la serie MT. Los tractores LS de este tipo están equipados con motores con una potencia de 21,5 CV o 24,7 CV, por lo que podrá adaptar fácilmente el modelo al trabajo específico y a sus propias necesidades. La oferta también incluye una completa gama de accesorios, entre los que se incluyen un cargador frontal TUR , una segadora o una excavadora adaptada para acoplarse a la parte trasera del tractor. El motor basado en la tecnología Yanmar hace que este modelo compacto funcione tan bien como los tractores clásicos en el campo , y también funciona bien como un tractor cortacésped utilizado para las tareas domésticas.

Traktor.com.plS.C. Wojciech i Miłosz Początek Reviews with ekomi-pl.com

También comprobar