K dispozícii
Podmienka
Nový
Výroba
OEM
časti
WOM
Priemer (mm)
26,5 x 3,5; 32,5 x 2,6 (rúrka)
Celková dĺžka (mm)
100
Odporúčaný výkon traktora (hp)
do 24
Typ
Rúra

Vývodový hriadeľ 030B - 100 cm / do 30 HP - západka 15 oz - štandard 6 oz

030B-100-LS-JD
900,00 zł
S DPH PL 23%

731,71 netto

  • Dostępność (98 Množstvo): stock

Vývodový hriadeľ 030B - 100 cm / do 30 HP - západka 15 oz - štandard 6 oz

Čo je to vývodový hriadeľ a ako funguje vývodový hriadeľ?

Vývodový hriadeľ je hriadeľ, ktorý prenáša výkon. Rotačný pohyb z traktora na pripojený stroj a je určený na prácu pod uhlom k traktoru. Vývodový hriadeľ sa skladá z 2 krížov, 2 párov vidlíc a teleskopickej trojuholníkovej trubice. Kĺbový hriadeľ je všeobecný názov pre tri typy hriadeľov:

  • vývodový hriadeľ (PTO) traktora
  • hriadeľ na prenos energie, napr. rúrkový alebo teleskopický,
  • vývodový hriadeľ v stroji (WPM).

Ako si vybrať správny kardanový hriadeľ?

Teleskopický hriadeľ s priečnym kĺbom sa dodáva v niekoľkých typoch a delí sa podľa dĺžky a hodnoty prenášaného krútiaceho momentu. Minimálna hodnota krútiaceho momentu je parameter, ktorý je hlavným parametrom, ktorý musíme zvážiť pri výbere hriadeľa. Nominálna hodnota Nm je hodnota prenášaného krútiaceho momentu, ktorá sa znižuje s predĺžením hriadeľa nad hodnotu stanovenú výrobcom. Ďalším krokom pri kúpe hriadeľa je výber správnej dĺžky. Pre výber správneho hriadeľa zmerajte vzdialenosť od vývodového hriadeľa traktora k vývodovému hriadeľu stroja a potom zmerajte vývodový hriadeľ od stredu do stredu kĺbov.

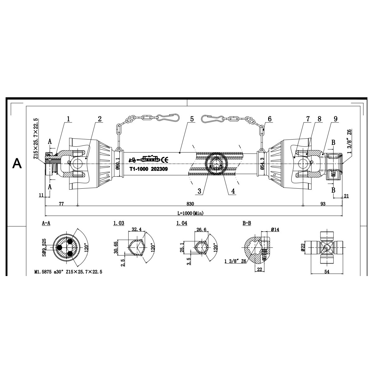
Kĺbové hriadele - typ 30B - rúrkové, dlhé 100 cm (merané od konca do konca v zloženom stave).

- pre LS MT1, LS XJ, John Deere - stredný vývodový hriadeľ

  • štandardná drážka, 6/6 - 1 3/8
  • 15z 1" multifunkčný nôž - typický pre JD a LS so stredovým hriadeľom (s automatickým zaistením krúžku)
  • univerzálne kĺby (22x54) s mazničkami,
  • plastový kryt

ŠPECIFIKÁCIA

Podmienka
Nový
Výroba
OEM
časti
WOM
Priemer (mm)
26,5 x 3,5; 32,5 x 2,6 (rúrka)
Celková dĺžka (mm)
100
Odporúčaný výkon traktora (hp)
do 24
Typ
Rúra
Univerzálny kĺb
22x54
Profil potrubia
Trojuholníkový
Krútiaci moment (Nm)
130

4FARMER

Značka 4FARMER má ponuku, ktorá je čoraz obľúbenejšia. Vznikla ako výsledok sledovania trhu a zvyšujúceho sa dopytu po tovaroch a strojoch používaných v poľnohospodárskej a ovocinárskej výrobe. V jej ponuke nájdete špičkové poľnohospodárske stroje a záhradnú techniku slúžiacu nielen na starostlivosť, ale aj na upratovacie práce na farme a záhrade. Produkty sú navrhnuté tak, aby čo najlepšie plnili svoje funkcie a zákazníkom uľahčili každodennú prácu.

Značka 4FARMER vznikla v roku 2010 a v súčasnosti je jednou z najdynamickejšie sa rozvíjajúcich značiek na trhu poľnohospodárskych strojov. Produkty si získali dôveru mnohých zákazníkov v Poľsku aj v zahraničí. Produkty 4FARMER sú široko používané v mnohých oblastiach poľnohospodárstva, ako na malých farmách, tak aj vo veľkých výrobných závodoch.

Široká ponuka 4FARMER:

Značka 4FARMER má široký sortiment poľnohospodárskych strojov: snehové pluhy , bagre na okopaniny , traktorové bagre , kladenie káblov , postrekovače , zemné sejačky , valce , grejdre , štiepkovače , prepravné boxy , prívesy , zametače , ako aj široký sortiment kosačky na trávu , cepové kultivátory , kultivátory . V ponuke bude aj funkčný kompaktný model traktora 4FARMER F24D 24KM 4x4 .

Najdôležitejšie prednosti značky 4FARMER?

  • Široká ponuka - Bez ohľadu na to, či ste farmár, záhradník alebo ovocný sad, v ponuke 4FARMER si určite nájdete niečo pre seba.
  • Jednoduchá obsluha - zariadenie 4FARMER bolo navrhnuté tak, aby sa ľahko ovládalo a nespôsobovalo ťažkosti ani začínajúcim používateľom.
  • Profesionálna podpora a prístup k náhradným dielom.

4FARMER je značka, ktorá vychádza v ústrety potrebám zákazníkov poskytovaním spoľahlivej a efektívnej poľnohospodárskej a záhradnej techniky.

Traktor.com.plS.C. Wojciech i Miłosz Początek Reviews with ekomi-pl.com

Tiež skontrolovať