K dispozícii
Podmienka
Nový
Výroba
OEM
Takže
Traktor LS
časti
Hydraulický systém

Valec nakladača / 22B902-TS / Traktor LS / 40273379

40273379
2 726,97 zł
S DPH PL 23%

2217,05 netto

  • Dostępność (1 Množstvo): stock

Valec nakladača / 22B902-TS / Traktor LS / 40273379

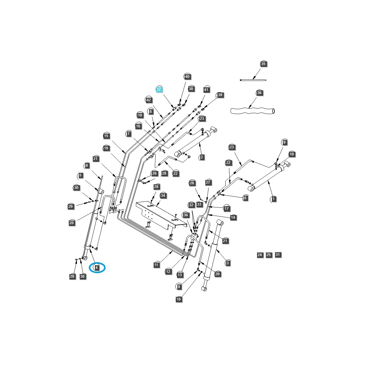
Valec lyžice čelného nakladača LL2101 AUTO od LS Tractor .

POLOŽKA Č. 4 OZNAČENÁ NA GRAFICKOM OBRÁZKU MODROU FARBOU

Sklad:
L01: K-2-3

ŠPECIFIKÁCIA

Magazyn: L01: K-2-0
Podmienka
Nový
Výroba
OEM
Takže
Traktor LS
časti
Hydraulický systém

Počiatky značky LS Tractor možno hľadať v Južnej Kórei v roku 1977, kedy KHIC (Korea Heavy Industries & Construction Co.) v spolupráci s Fiat začala vyrábať poľnohospodárske traktory a v neskorších rokoch aj kombajny a iné poľnohospodárske vybavenie . Rok 1984 prináša ďalšie úspechy pre značku LS Tractor , dodávateľom pohonných jednotiek pre mini traktory sa okrem iného stáva Mitsubishi MHI (Mitsubishi Heavy Industry) a ďalší výrobcovia. Yanmar. V súčasnosti má kórejský výrobca traktorov LS Tractor 4 továrne v Južnej Kórei, Brazílii, Číne a USA. Najmä LS Tractors sa umiestnili na prvom mieste v celkovej spokojnosti zákazníkov, dostupnosti produktov a dostupnosti dielov v Spojených štátoch.

Traktory LS - cena spojená s vysokou kvalitou

Traktory LS boli navrhnuté pre použitie v domácnostiach, mestských podnikoch a farmách. Ak hľadáte funkčnú výbavu, produkty so značkou LS budú tou správnou voľbou - obsluha traktora z každej dostupnej série je nielen pohodlná, ale predovšetkým úplne bezpečná. Zariadenie preto môžu úspešne používať profesionáli aj začiatočníci. Široký výber modelov poskytujúcich rôzne funkcionality a výkon motora, prispôsobené záťaži rôznej intenzity, kompatibilné príslušenstvo umožňujúce zvýšenie pracovného dosahu, jednoduché, intuitívne ovládanie a komfort práce - to sú vlastnosti každého traktora LS - cena je ďalšou silnou stránkou produktu. Vysoká kvalita spracovania v kombinácii s konkurenčnými, atraktívnymi cenami robí s nami ponúkaným vybavením plne spokojných aj tých najnáročnejších zákazníkov.

Traktor LS nie je len traktor LS Poľsko - vybavenie tejto značky je známe a oceňované po celom svete. Potvrdzuje to skutočnosť, že traktory LS boli uznávané ako číslo 1 z hľadiska spokojnosti zákazníkov, širokej škály modelov a dostupnosti náhradných dielov v Spojených štátoch.

Hľadáte dokonalé vybavenie alebo potrebujete poradiť s výberom konkrétneho modelu? Kontaktujte nás a my vám pomôžeme prispôsobiť traktor LS vašim potrebám, a to nielen tým, že vám navrhneme, ktorý model bude pre vás najlepší, ale aj tým, že vám pomôžeme vybrať to správne vybavenie.

LS traktor Poľsko - zdokonaľte svoju prácu

Naša predajňa ponúka nové traktory LS . Našim zákazníkom vychádzame v ústrety ponukou širokého výberu modelov, vrátane poľnohospodárskych traktorov s osami a traktorov na kosenie trávy , ktoré možno použiť ako na veľkých pozemkoch, tak aj v domácom priestore. V ponuke máme okrem iného aj traktor LS MT3.40 HST , čo je traktor s 3-valcovým dieselovým motorom L3CRV-T4 s výkonom 40 HP. Vybavením tejto série sú traktory 4x4 vybavené posilňovačom riadenia, vďaka čomu je ovládanie a manévrovanie jednoduché a bezpečné. Traktor LS tohto typu umožňuje prácu v akomkoľvek teréne, čo je ovplyvnené aj možnosťou výberu rôznych typov pneumatík - v prípade tohto modelu si zákazník môže vybrať ako poľnohospodárske, tak aj stavebné/priemyselné pneumatiky. 3-bodový zadný trojbodový záves s nosnosťou 820 kg vám umožňuje používať prakticky všetky poľnohospodárske stroje a zariadenia bez akýchkoľvek obmedzení. Ďalšou výhodou tohto traktora je pohodlná, klimatizovaná bezpečnostná kabína. Traktor LS MT3.60 MEC CAB 4x4 je dostupný aj v sérii MT3. Tento model je traktor vybavený 3-valcovým dieselovým motorom L3CRV-7T. Podobne ako predchádzajúci model tejto série je MT3.60 vybavený trojbodovým závesom s vyššou nosnosťou - 1 250 kg. Nepochybnou výhodou tohto modelu je mechanická prevodovka so spiatočkou, ktorá umožňuje zmeniť smer jazdy jedným pohybom páky umiestnenej vedľa volantu. Na druhej strane 3 rýchlosti vývodového hriadeľa umožňujú použitie prídavného zariadenia PTO/PTO. V sortimente traktor.com.pl sú aj traktory LS zo série MT. Traktory LS tohto typu sú vybavené motormi s výkonom 21,5 HP alebo 24,7 HP, takže si model ľahko prispôsobíte konkrétnej práci a vlastným potrebám. V ponuke je aj kompletný sortiment príslušenstva vrátane čelného nakladača TUR , kosačky alebo bagra prispôsobeného na pripevnenie na zadnú časť traktora. Motor založený na technológii Yanmar robí tento kompaktný model rovnako dobre ako klasické traktory v teréne a dobre poslúži aj ako traktor kosačky na trávu používaný na domáce práce.

Traktor.com.plS.C. Wojciech i Miłosz Początek Reviews with ekomi-pl.com

Tiež skontrolovať