025B – bis zu 24 km und 130 Nm
Zapfwelle 025B – Leistungsübertragung bis 24 PS, Drehmoment bis 130 Nm
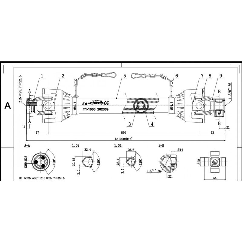
Die kreuzförmige Gelenk- und Teleskopwelle gibt es in mehreren Ausführungen und wird nach der Länge und der Größe des übertragenen Drehmoments unterteilt. Der Mindestdrehmomentwert ist ein Parameter, der der Hauptparameter ist, den wir bei der Auswahl einer Welle beachten müssen. Der Nm-Nennwert ist der Drehmomentübertragungswert, der abnimmt, wenn die Welle über den vom Hersteller angegebenen Wert hinaus ausfährt. Der nächste Schritt beim Kauf einer Walze ist die Wahl der passenden Länge. Um die passende Welle auszuwählen, messen Sie den Abstand von der Zapfwelle des Traktors zur Zapfwelle der Maschine und messen Sie dann die Zapfwelle von der Mitte zur Mitte der Gelenke.
